兆山苑業主立案法團
兆山苑業主立案法團
首頁
封面
關於我們
了解更多
常問問題
我們的位置
屋苑資訊
疫情資訊
屋苑活動回顧
屋苑環保計劃
最佳保安員獎項
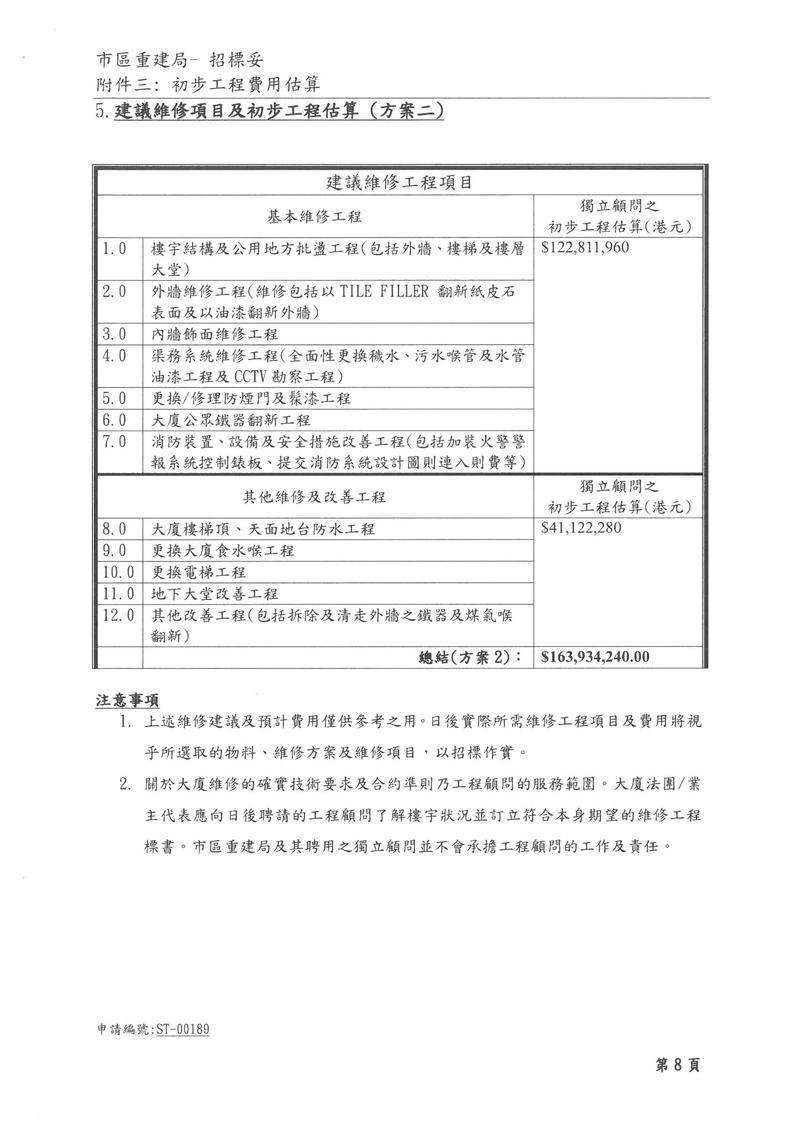
屋苑強制性維修
業主特別大會(2017年11月5日)
市建局顧問報告(2018年8月4日)
業主特別大會(2019年9月1日)
2019年6月15日業主大會
會議記錄
2021年12月12日業主大會
優化升降機計劃
2022年9月4日業主大會
更多...
返回上一頁
×
×
>
<
網頁皇網頁設計
&
有意思網頁設計
Copyright © 2025 兆山苑業主立案法團
❯